Дмрв Siemens Vdo Распиновка
Posted in HomeBy adminOn 01.09.17
- Датчик массового расхода воздуха для системы управления. ДМРВ производства фирмы Siemens VDO не спутаешь с «бошевским». Правда, на фото разъем выглядит как длинный с контактами в ряд, а у меня .
- Фото – датчик массового расхода воздуха сименс.
Датчик расхода воздуха: проверка, принцип работы, ремонт. Работа любого автомобиля зависит от контроля многих параметров и их правильной настройки. Шпоры По Педагогической Конфликтологии. Для оценки работы двигателя необходим специальный датчик расхода воздуха. Что это такое. Датчик массового расхода воздуха (ДМРВ) – это устройство, которое необходимо для замера и оценки количества воздуха, поступающего в двигатель.
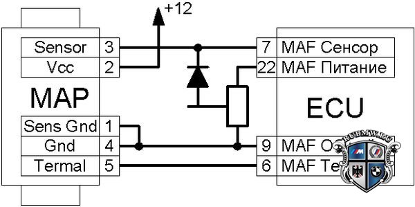
Подключили к колодке +12 вольт, и вот такое случилось. До этого вместо +12 там было +0,03 вольт, датчик будто был отключен. В этом видео я расскажу о том как меняется распиновка ДМРВ с Сименс на Бош, если у вас есть завалявшаяся проводка от 2107. Приобретайте адаптер для самостоятельной диагностики своего автомобиля по ссылке goo.gl/pY9gN9 В видео показывается, как с .
Замена ДМРВ Bosch 0 280 218 220 на Siemens 20.3855 и Siemens 20.3855-10 Замена датчика массового расхода воздуха (ДМРВ) заключается в .

При этом прибор не измеряет объем воздуха, проходящего через двигатель, он определяет массу сжатого воздуха, поступающего в единицу времени. Измерение производится в единицах килограмм на секунду. Его используют как на дизель- машинах, так и на бензиновых. Существует два вида таких измерителей: Для автомобилей; Для производственных процессов. Датчик массового расхода воздуха используется во всех автомобилях Audi (Ауди), BMW (БМВ), Ford (Форд), Hyundai (Хундай), Kia Sportage (еще Киа Спектра), Mazda (Мазда), Mitsubishi (Мицубиси), Nissan Альмера (Ниссан), Subaru (Субару Легаси), Opel Passat (Опель Пассат), Toyota (Тойота), Volvo (Вольво) и прочих. При этом нужно помнить, что такой датчик используется только в авто до 2. Это не касается отечественных авто (Газель, УАЗ Хантер и Патриот, Волга, ГАЗ, ЗМЗ и прочих).
Фото – датчик массового расхода воздуха сименс. Для контроля определенных промышленных процессов также необходимы датчики, замеряющие уровень воздуха. Это могут быть приборы типа MAF (МАФ), или VAF. Отличием в принципе их действия является температура измеряемого воздуха.
Первые устройства работают с холодным потоком, в то время как вторые – с горячим (находящемся в двигателе внутреннего сгорания). Для бытовых и промышленных нужд используются устройства марки Bosh (Бош), Siemens (Сименс) и прочие. Руководство По Эксплуатации Полуприцепа. Принцип действия. Принцип работы датчика массового расхода воздуха для автомобиля, основан на законе Ома.
Фото – конструкция ДМРВГорячий провод определяет массу воздуха, поступающего в воздушную систему двигателя. По сути, этот прибор – аналог анемометра, или измерителя скорости воздушного потока. Контактный провод нагревается от воздуха, что позволяет ему изменять свое сопротивление. Этот показатель возрастает по мере повышения температуры проволоки, которая изменяет электрический ток, протекающий контакт.
Когда впускаемый воздух проходит мимо проволоки, она охлаждается, благодаря чему уменьшается её напряжение. Соответственно, падение сопротивления прямо пропорционально массе воздуха, которая в данный момент находится внутри двигателя. В свою очередь, двигатель может контролировать весь процесс измерения. После интегрированная электронная система отправляет сигнал на приборную панель или в пункт управления системой. Фото – принцип работы датчика мицубиси. Если при увеличении плотности воздуха из- за высокого давления или перепада температур, объем замеряемой величины остается постоянным, то это свидетельствует о большой массе воздуха, превышающей стандартные показатели.
Характеристики этого датчика хорошо подходят для контроля сгорания бензина, ведь он реагирует на размер конкретной воздушной массы, а не общего объемного количества в системе. Видео: неисправность датчика ДМРВДиагностика и ремонт. Screaming Frog Seo Spider Кряк подробнее. Проверка датчика расхода воздуха на неисправность может производиться без специального оборудования. Бывалый автолюбитель сразу же определит проблему на слух.
Фото – нерабочий датчик. Характерные признаки поломки датчика массового расхода воздуха на Лада Калина и Приора, ВАЗ- 2. Форд, Хонда и т. При нормальной работе системы, при превышении стандартно указанной массы воздуха или если его уровень резко подскочил, про это сразу же сигнализирует дисплей на приборной панели. В том случае, если никаких сигналов до поломки не поступало, нужно провести диагностику самому. Пошаговая инструкция, как проверить датчик расхода воздуха фирмы Bosch мультиметром или АЦП: Вам понадобится мультиметр, его необходимо включить в режим вольтметра, при этом выставив параметры диагностики рабочего датчика на 2 Вольта (показания расшифрованы ниже); После открываем капот и находим там датчик. Стандартно, к прибору подсоединяется 4 провода. Желтый, беловато- серый, зеленый и розовый или немного темнее.
Первый отвечает за входящий сигнал, второй за выходное напряжение, третий за заземление, а четвертый – это выход датчика к реле. Схема указана на рисунке ниже. Фото – схема расположения проводов.
После этого нужно включить зажигание, но не заводить мотор. Далее, подсоединяем мультиметр; Диагностика проводится следующим образом: красный кабель мультиметра подсоединяется к желтому проводу, а черный – к шнуру зеленого цвета. Обратите внимание, что для такого подключения нежелательно использовать зажимы – они могут влиять на уровень давления; Теперь смотрите на дисплей мультиметра. Исходя из показаний вольтажа можно делать выводы: Вольт.
Объяснение. От 1 до 1,0. Все нормально, возможно, неисправность заключается в датчике температуры всасываемого воздуха. Состояние хорошее, но желательно использовать очиститель для датчика расхода воздуха.
Износ средней степени. Крайнее состояние, необходима срочная замена. Устройство нерабочее. Двигатель работает в аварийном режиме используя для создания воздушно- топливной смеси данные дроссельной заслонки. Фото – замер мультиметром исправного датчика.
Эти признаки могут являться ключевыми, но часто в поломке датчика виноват не износ. Некоторые автолюбители не знают, что это очень нежный прибор и повредить его может простая чистка тряпкой или даже салфеткой. Если необходим ремонт датчика расхода воздуха или его замена, то вот инструкция, как проводится распиновка: Выключите зажигание; При помощи ключа подходящего размера (для Ваз, в том числе, Инжектор, – это 1.
Снимайте датчик, очищайте его или заменяйте новым. После включение производится в обратном порядке. Фото – снятие датчика воздуха. Аналогично процесс производится на автомобилях до 2. Nissan Primera, Мазда, Пежо, Рено, Опель Вектра и Омега, Мерседес, Нива, Шкода Октавия, Форд Фокус, Фольксваген, Фиат, Шевроле, Хонда.
Отличием является, что детектор находится в другом месте. Чистка датчика производится специальными веществами, но гораздо надежнее будет купить новый сигнализатор, в особенности учитывая, что у него довольно низкая цена. Запчасти рекомендуется покупать только в сервисных магазинах. Также можно заменить измеритель на СТО, при этом рекомендуем ехать на проверенные станции технического обслуживания. Часто там сразу на месте производится продажа необходимых деталей, но их стоимость немного выше рыночной. Фото – загрязненный датчик воздуха. Если же Вы решили просто почистить датчик расхода воздуха, то обратите внимание на контакты.
Их нужно очень осторожно протирать при помощи мягких салфеток и специальных очистителей. Действуйте очень осторожно – любая ошибка может заставить Вас полностью отремонтировать измеритель. После проведения работы, нужно проверить устройство снова на напряжение. Нормальный уровень сигнала находится в пределах 1,0.